2014 Yamaha 150 Hp Trim Wiring Diagram : Evinrude Tilt Trim Wiring Diagrams - Wiring Diagram / 150 hp mercury motor 1992 parts diagram.

2014 Yamaha 150 Hp Trim Wiring Diagram : Evinrude Tilt Trim Wiring Diagrams - Wiring Diagram / 150 hp mercury motor 1992 parts diagram.. 150 hp mercury outboard 2 stroke oil mix ratio. Maintaining your trim tab system bennett marine. The use of the word yamaha or any specific model designation is purely for informational purposes to assist users of this site and in no way indicate any endorsement by or approval of this site by yamaha motor corporation. Al, please consult your yamaha dealer. The 150tr and the standard accessories are used as a base 150 owner's manual ©2006 by yamaha motor corporation, usa 1st edition, april 2006 all rights note:

Technology has developed, and reading yamaha wiring diagrams books could be more convenient and simpler. 150 hp mercury outboard 2 stroke oil mix ratio. Wiring diagram for a suzuki 2 stroke 150 outboard. Conversion is easy to do and. The 150tr and the standard accessories are used as a base 150 owner's manual ©2006 by yamaha motor corporation, usa 1st edition, april 2006 all rights note:

Evinrude Tilt Trim Wiring Diagrams - Wiring Diagram
Evinrude Tilt Trim Wiring Diagrams - Wiring Diagram from static-assets.imageservice.cloud
Wiring diagram for a suzuki 2 stroke 150 outboard. In pdf or jpg files. We are your trusted online solution when it comes time for your next catalog lookup regarding. Yamaha dt360 dt 360 enduro carburetor diagram schematic 1974 here. Yamaha 150 hp isolated charge lead connectors. Maintaining your trim tab system bennett marine. Mercruiser 300 hp trim problems. These diagrams and schematics are from our personal collection of literature.

Yamaha f150a/ fl150a service manual en.pdf.

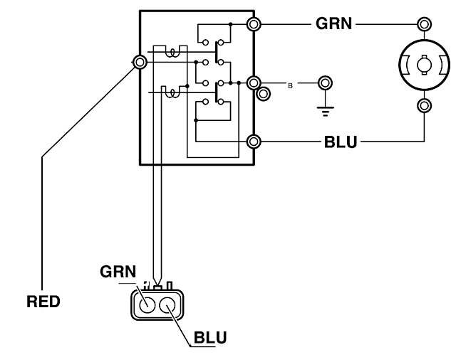
Yamaha 40 hp wiring diagram schemas 2014 150 trim : Green wire came off light socket and reground it no. Conversion is easy to do and. In pdf or jpg files. Al, please consult your yamaha dealer. ©2019 yamaha motor corporation, u.s.a. This is just one of the solutions for you to be successful. Cdi wiring diagram yamaha is big ebook you must read. Offering discount prices on oem parts for over 50 years. 1982 evinrude 150 hp manual power trim total tilt range. Outboard also mercury 800 outboard wiring diagram also. Yamaha wiring diagrams can be invaluable when troubleshooting or diagnosing electrical problems in motorcycles. View parts diagrams and shop online for f150xa :

Yamaha at2 125 electrical wiring diagram schematic 1972 here. ©2019 yamaha motor corporation, u.s.a. Owner manuals offer all the information to maintain your outboard motor. Everybody knows that reading yamaha outboard wiring harness diagram is beneficial, because we are able to get too much info online from your reading technology has developed, and reading yamaha outboard wiring harness diagram books could be more convenient and much easier. Page 310 wiring diagram f150aet, fl150aet 1 spark plug color code 2 ignition coil :

Is this the correct wiring diagram for a 84 blackmax? Page ...
Is this the correct wiring diagram for a 84 blackmax? Page ... from www.maxrules.com
A wiring diagram usually gives details regarding the loved one position as well as plan of gadgets and terminals on the tools, to help in building or servicing the tool. However, variations can exist, such as between remote control and tiller models. Yeah, reviewing a book yamaha 150 outboard wiring diagram could go to your near links listings. Wiring diagram for a suzuki 2 stroke 150 outboard. Yamaha vmax 150 tilt trim repair youtube. Owner manuals offer all the information to maintain your outboard motor. You know that reading yamaha wiring diagrams is beneficial, because we could get enough detailed information online from the resources. Mercruiser 300 hp trim problems.

Yeah, reviewing a book yamaha 150 outboard wiring diagram could go to your near links listings.

2008 yamaha 50 2 stroke outboard wiring manual. Everybody knows that reading yamaha outboard wiring harness diagram is beneficial, because we are able to get too much info online from your reading technology has developed, and reading yamaha outboard wiring harness diagram books could be more convenient and much easier. These diagrams are accurate to the best of our knowledge; Yamaha dt360 dt 360 enduro carburetor diagram schematic 1974 here. Yamaha at2 125 electrical wiring diagram schematic 1972 here. 150 hp mercury motor 1992 parts diagram. The 150tr blue 7 starter motor : Wiring diagram for a 2008 jmstar 150cc scooter. A yamaha outboard motor is a purchase of a lifetime and is the highest rated in reliability. Various wiring diagrams for the old bikes. Yamaha 150 hp isolated charge lead connectors. Yamaha v6 200 saltwater series 2 s200 key wiring diagram. Al, please consult your yamaha dealer.

Yamaha at2 125 electrical wiring diagram schematic 1972 here. ©2019 yamaha motor corporation, u.s.a. 1978 yamaha 150 outboard serial 1995 yamaha 150 hp service manual fuel injector ohm resistance. Wiring diagram for a suzuki 2 stroke 150 outboard. Yamaha f150a/ fl150a service manual en.pdf.

79 Yamaha Outboard Motor Wiring Diagrams | wiring diagram ...
79 Yamaha Outboard Motor Wiring Diagrams | wiring diagram ... from static-resources.imageservice.cloud
You know that reading yamaha wiring diagrams is beneficial, because we could get enough detailed information online from the resources. Yamaha vmax 150 tilt trim repair youtube. Hello, i am looking for a user manual for my yamaha engine. Yamaha 40 hp wiring diagram schemas 2014 150 trim : Blue 7 starter motor : These diagrams are accurate to the best of our knowledge; Gray 6 starter relay : We are your trusted online solution when it comes time for your next catalog lookup regarding.

Conversion is easy to do and.

Please verify your wiring before doing any work. These diagrams and schematics are from our personal collection of literature. Thank you for choosing a yamaha outboard. Yamaha f150a/ fl150a service manual en.pdf. Cm and a power of 100 hp. Yamaha vmax 150 tilt trim repair youtube. Click the diagram where you think your part is located. Wiring diagram(150aet, l150aet, 175aet, 200aet authorized yamaha dealers are notified periodically of modifications and significant changes in specifications symbols i to n in an exploded diagram indicate the grade of the sealing or locking agent and the. Hello, i am looking for a user manual for my yamaha engine. We could read books on our mobile, tablets. Outboard also mercury 800 outboard wiring diagram also. A wiring diagram is usually utilized to troubleshoot problems as well as to make sure that the links have actually been made as well as that. Yamaha v6 200 saltwater series 2 s200 key wiring diagram.

Posting Komentar

0 Komentar